设备型号:YH-A21z
设备尺寸:2400*1200*20(mm)
设备重量:4.3kg
上架时间:2023-02-27 15:43:51
产品描述:全位置中型管道焊接采用无间隙齿轮传动设计、旋转平稳、转动惯量小,无卡阻现象焊接可实时调节可配置连接施工焊接数据监控平台

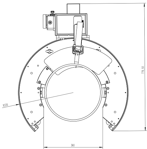
岳泓夹持式管道全位置自动焊接系统A21-z 整体轻便,性能可靠,易培训,易上手,经济实惠。
标准配置
夹持式全位置焊接设备 1 台
控制电缆组 1 套,
焊接电源 1 台
焊枪 1 把
保护气系统 1 套


特点
全位置中型管道焊接
采用无间隙齿轮传动设计、旋转平稳、转动惯量小,无卡阻现象
焊接可实时调节
可配置连接施工焊接数据监控平台
【技术参数】
工 作 模 式 :手动/自动
适 应 管 道 直 径:φ 300 -500 mm
焊 缝 宽 度:≤ 30 mm
行 走 速 度:0 ~ 5m/min
焊 丝 直 径:φ 0.8 ~ 1.2 mm